Limited shipping December 24, 2025 – January 2, 2026

Dingo Power

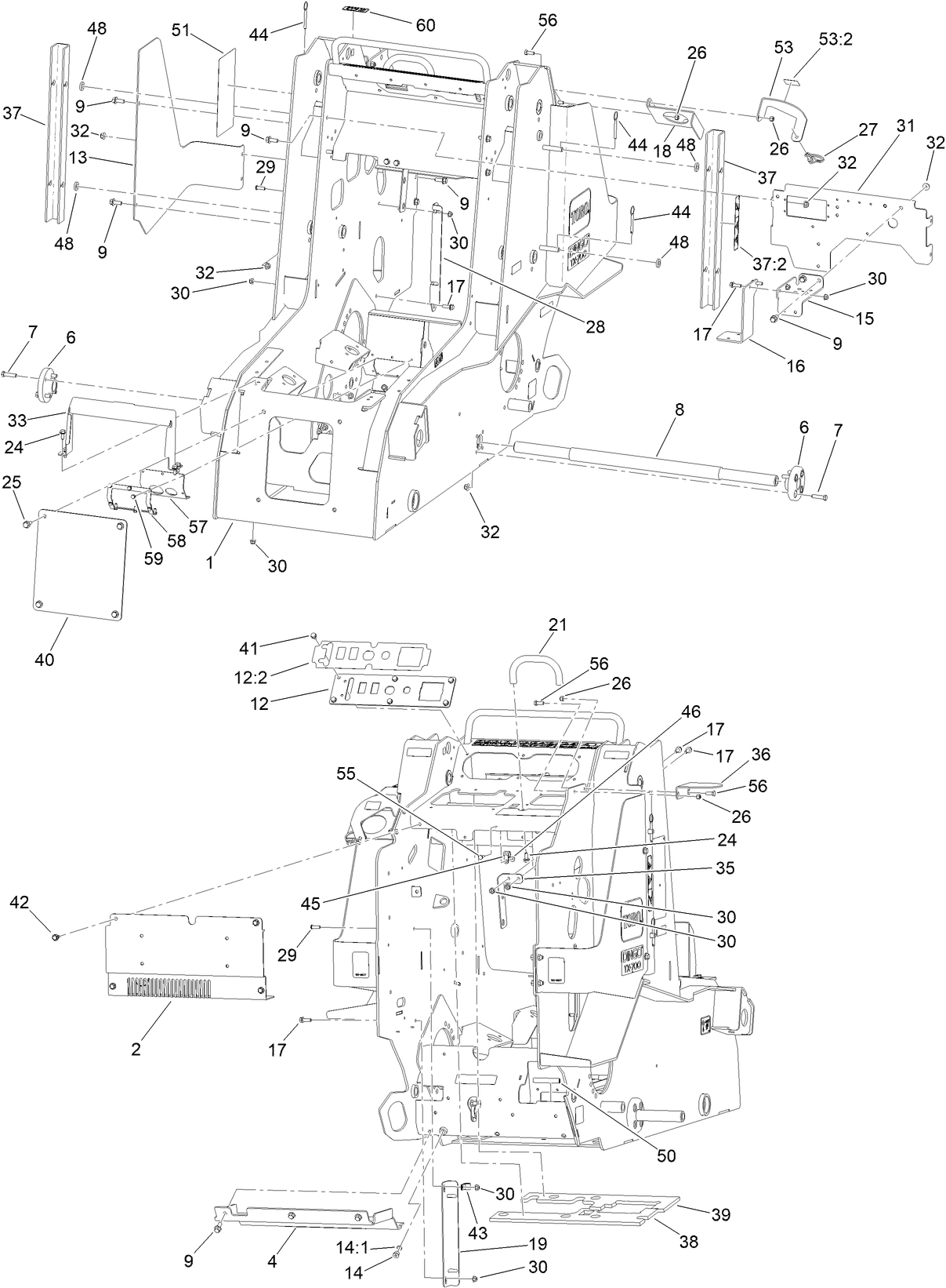
ANGLE (Part #:140-5734-03)

$22.96

Product Details

Title: ANGLE (Part #:140-5734-03)

Part Description: ANGLE

Models:

  • 22351 (Dingo TX 700-Narrow)

Serial Ranges:

  • 400000000 - 412899999
  • 412900000 - 415279999
  • 415280000 - 417199999
  • 417200000 - 999999999