Dingo Power

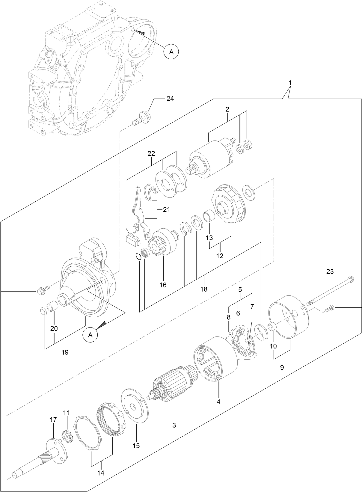
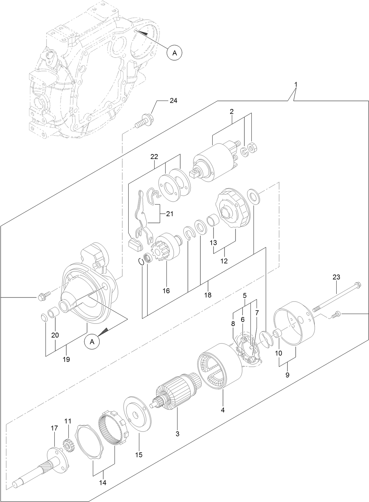
CASE ASM (Part #:127-3836)

$173.26

Product Details

Title: CASE ASM (Part #:127-3836)

Part Description: CASE ASM

Models:

  • 22370 (Dingo TX 1300)

Serial Ranges:

  • 400000000 - 410399999
  • 410400000 - 410499999
  • 410500000 - 412999999
  • 413000000 - 414487157
  • 414487158 - 414487256
  • 414487257 - 414864535
  • 414864536 - 415399999
  • 415400000 - 417999999
  • 418000000 - 418099999