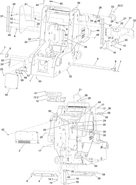
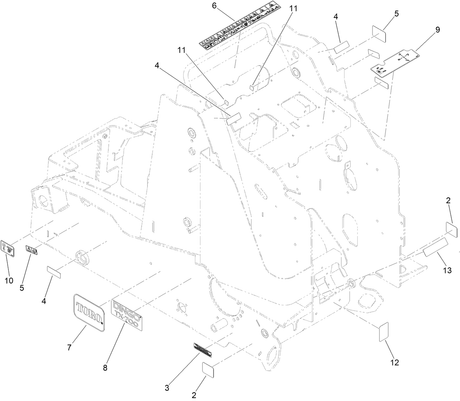
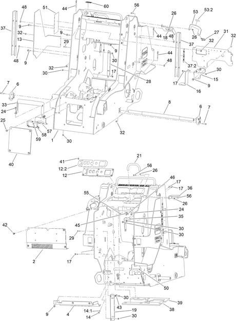
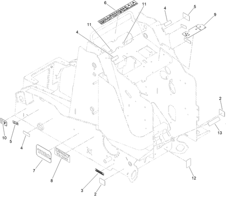
DECAL-WARNING (Part #:139-1159)
$7.55Unit price /UnavailableDECAL-WARNING (Part #:139-1158)
$4.97Unit price /UnavailableDECAL-WARNING (Part #:120-0625)
$3.73Unit price /UnavailableDECAL-ULTRA LOW SULFUR DIESEL (Part #:130-2845)
$1.27Unit price /UnavailableDECAL-TRACTION (Part #:145-3242)
$2.94Unit price /UnavailableDECAL-TORO LOGO (Part #:145-0609)
$8.55Unit price /UnavailableDECAL-TIE DOWN (Part #:125-6694)
$2.25Unit price /UnavailableDECAL-SURFACE, HOT (Part #:115-2047)
$15.01Unit price /UnavailableDECAL-SPARK ARRESTOR (Part #:133-8062)
$2.39Unit price /UnavailableDECAL-SERVICE (Part #:147-9016)
$10.66Unit price /UnavailableDECAL-SAFETY (Part #:145-0637)
$9.92Unit price /UnavailableDECAL-POINT, LIFT (Part #:93-9084)
$7.42Unit price /UnavailableDECAL-PARKING BRAKE (Part #:131-0709)
$4.73Unit price /UnavailableDECAL-LOADER CONTROL (Part #:145-0638)
$7.53Unit price /UnavailableDECAL-LIFT/TIE DOWN (Part #:125-6139)
$0.00Unit price /UnavailableDECAL-HYD FLUID (Part #:125-8483)
$13.54Unit price /Unavailable