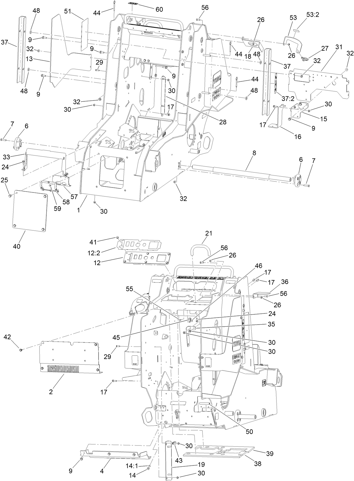
Dingo Power

DECAL-SERVICE (Part #:147-9016)

$10.66

Product Details

Title: DECAL-SERVICE (Part #:147-9016)

Part Description: DECAL-SERVICE

Models:

  • 22351 (Dingo TX 700-Narrow)

Serial Ranges:

  • 412900000 - 415279999
  • 415280000 - 417199999
  • 417200000 - 999999999