Dingo Power

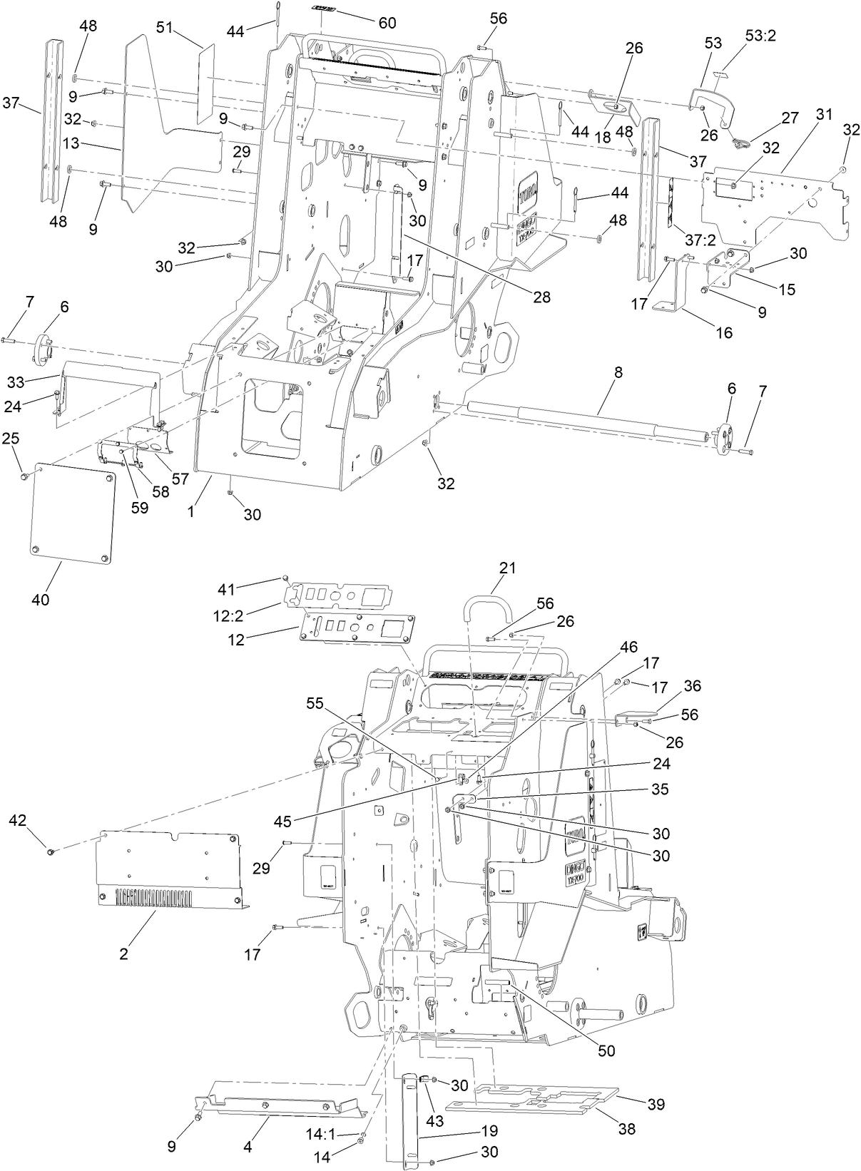
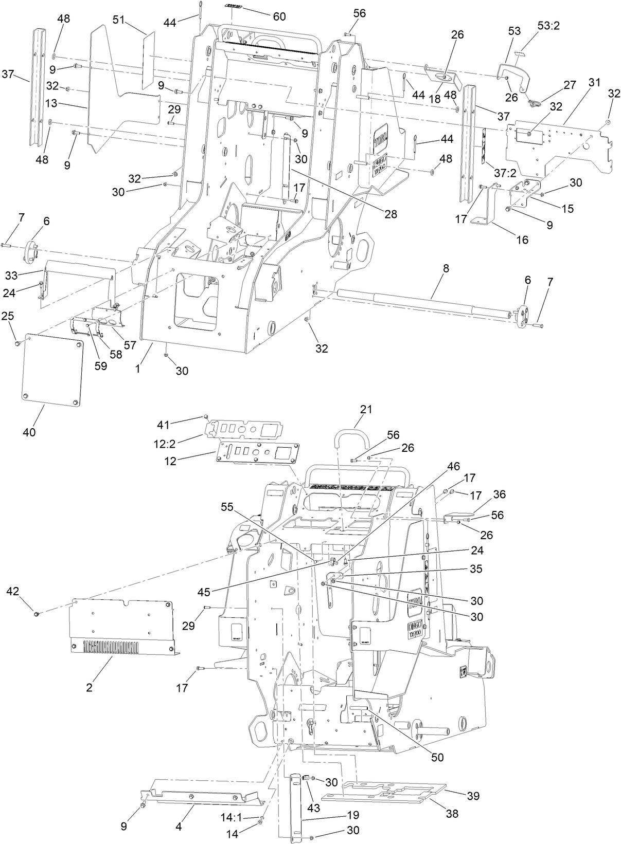
BRACKET-TANK (Part #:145-3332-01)

$37.26

Product Details

Title: BRACKET-TANK (Part #:145-3332-01)

Part Description: BRACKET-TANK

Models:

  • 22351 (Dingo TX 700-Narrow)

Serial Ranges:

  • 400000000 - 412899999
  • 412900000 - 415279999
  • 415280000 - 417199999
  • 417200000 - 999999999