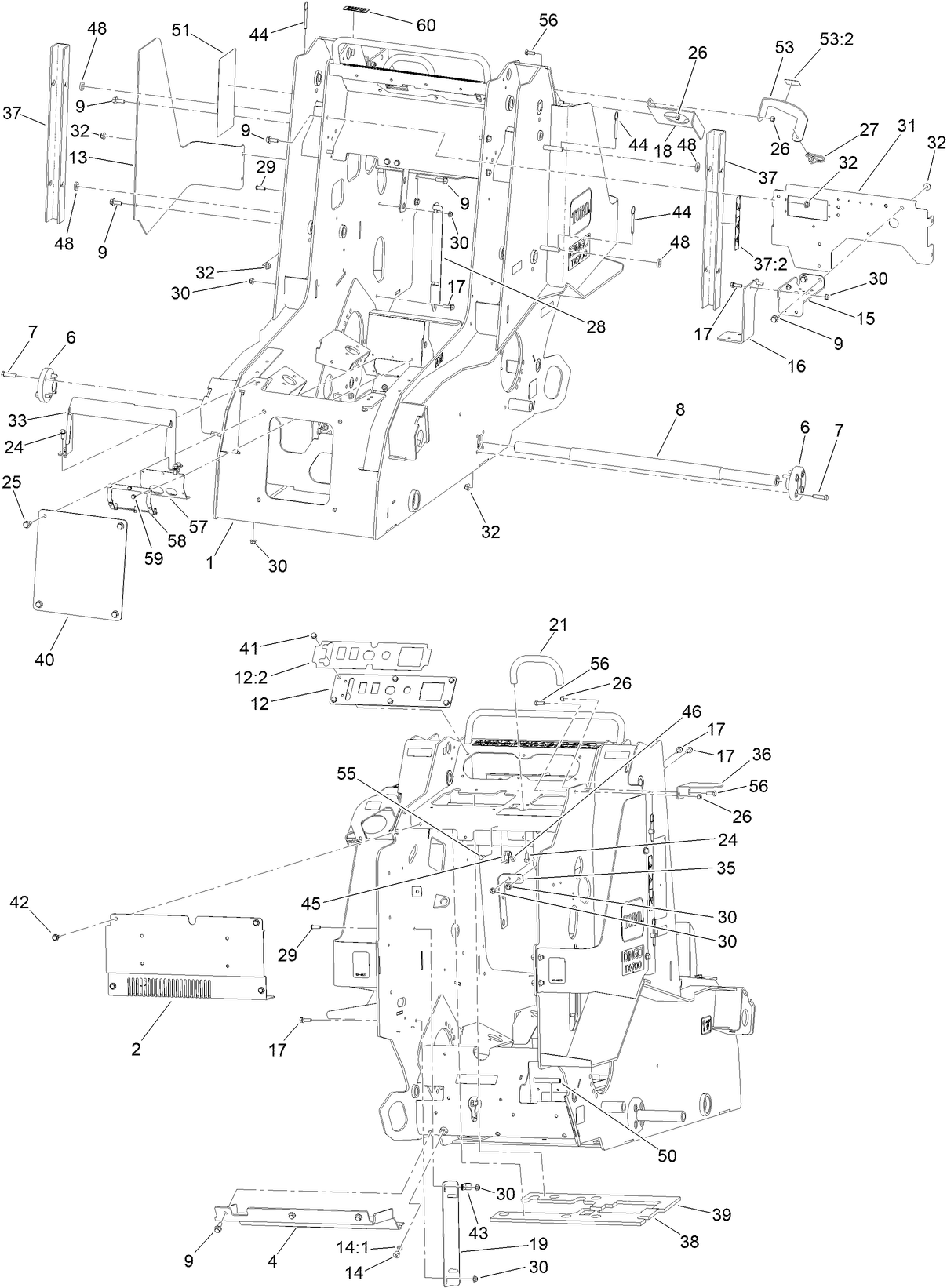
Dingo Power

RETAINING - RING (Part #:145-3271)

$21.76

Product Details

Title: RETAINING - RING (Part #:145-3271)

Part Description: RETAINING - RING

Models:

  • 22351 (Dingo TX 700-Narrow)

Serial Ranges:

  • 400000000 - 412899999
  • 412900000 - 415279999
  • 415280000 - 417199999
  • 417200000 - 999999999