Dingo Power

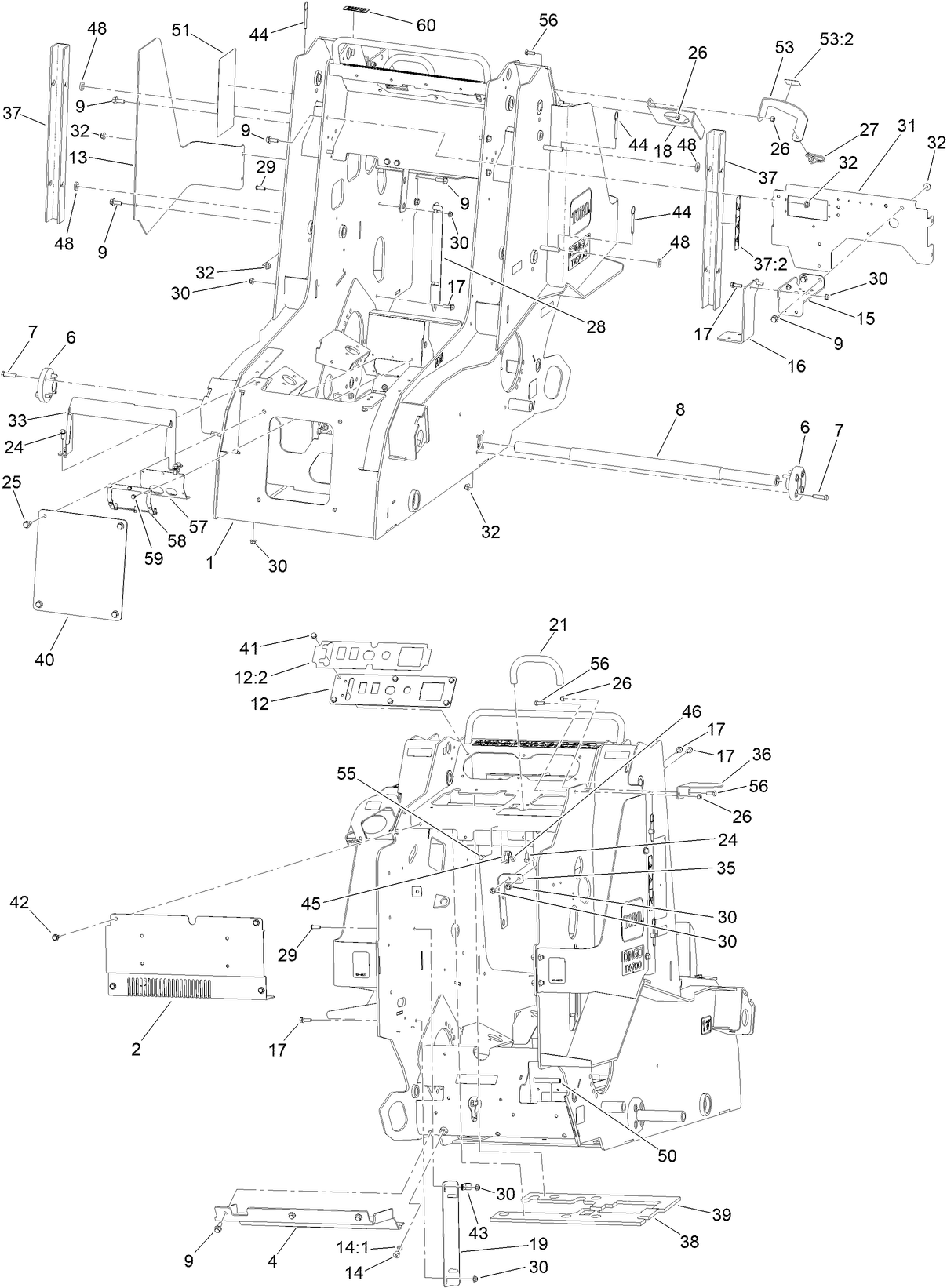
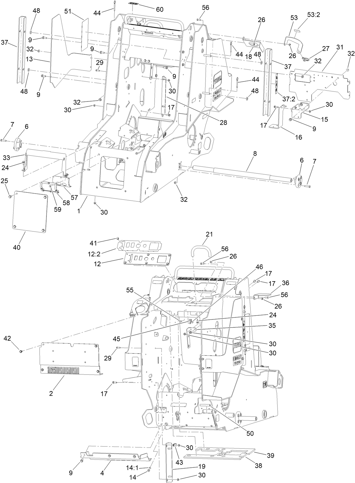
COVER-FRONT (Part #:144-6070-01)

$62.91

Product Details

Title: COVER-FRONT (Part #:144-6070-01)

Part Description: COVER-FRONT

Models:

  • 22351 (Dingo TX 700-Narrow)

Serial Ranges:

  • 400000000 - 412899999
  • 412900000 - 415279999
  • 415280000 - 417199999
  • 417200000 - 999999999