Dingo Power

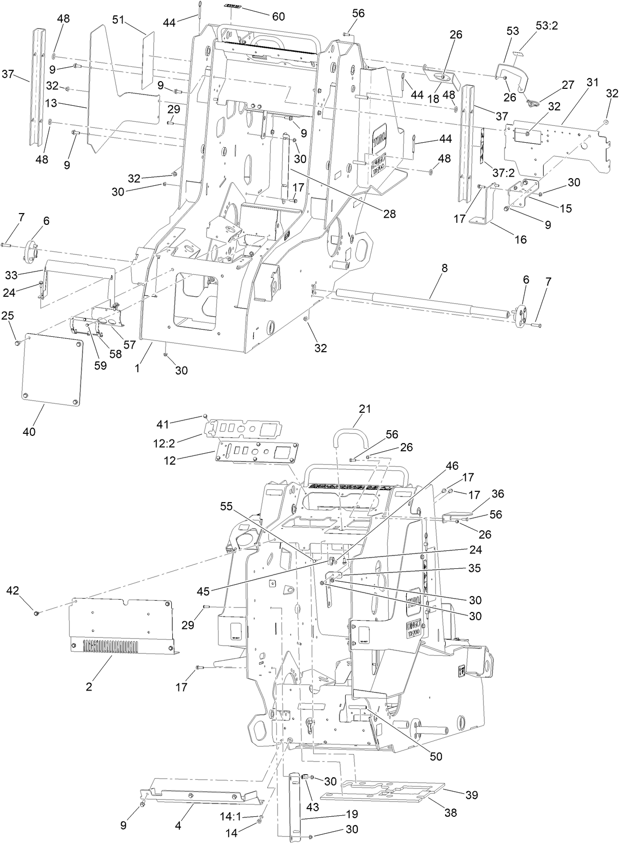
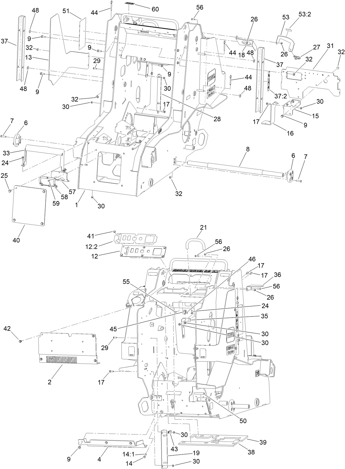
DECAL-CONTROLS (Part #:140-5791)

$9.42

Product Details

Title: DECAL-CONTROLS (Part #:140-5791)

Part Description: DECAL-CONTROLS

Models:

  • 22351 (Dingo TX 700-Narrow)

Serial Ranges:

  • 400000000 - 412899999
  • 412900000 - 415279999
  • 415280000 - 417199999
  • 417200000 - 999999999