Dingo Power
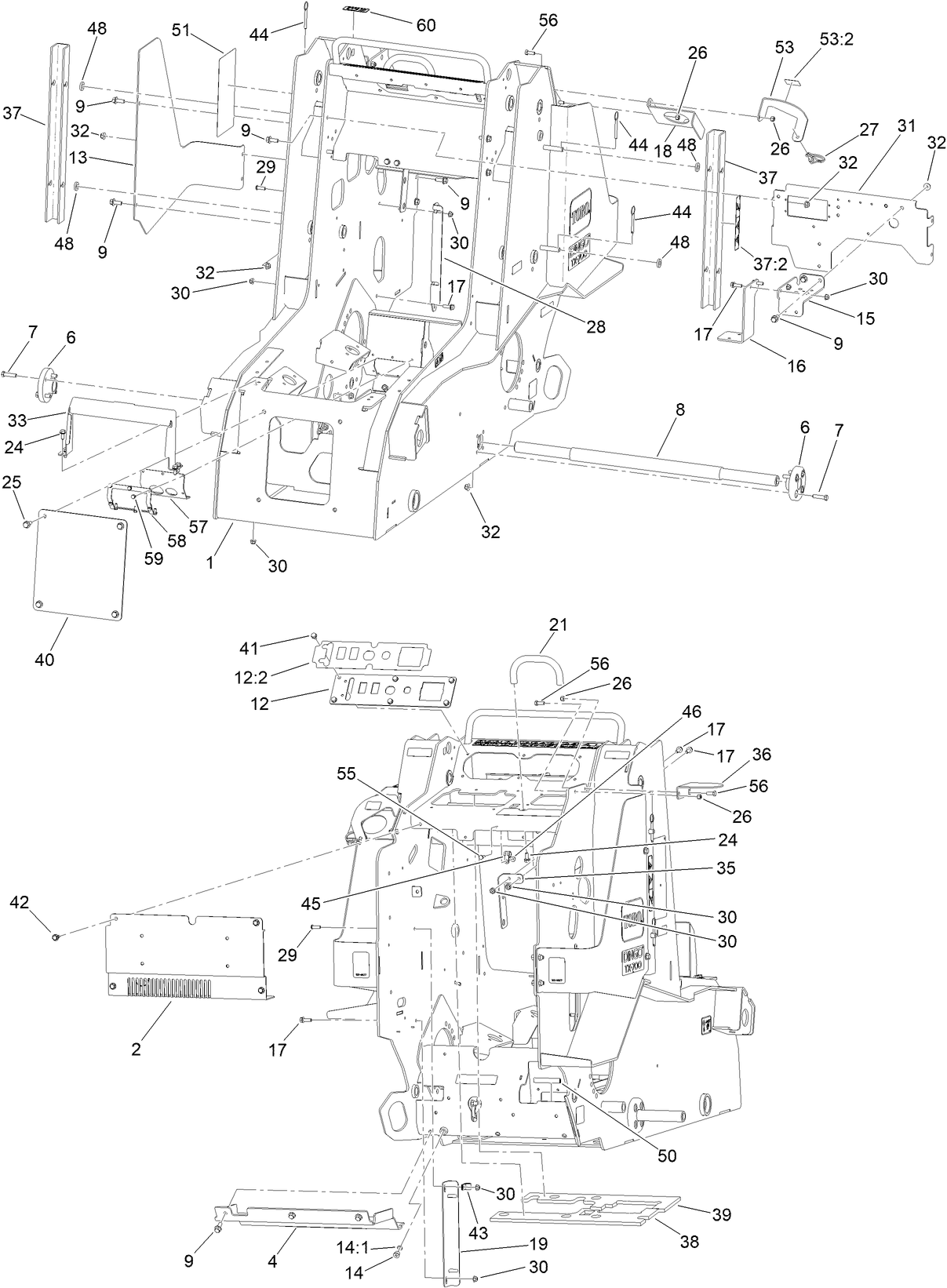
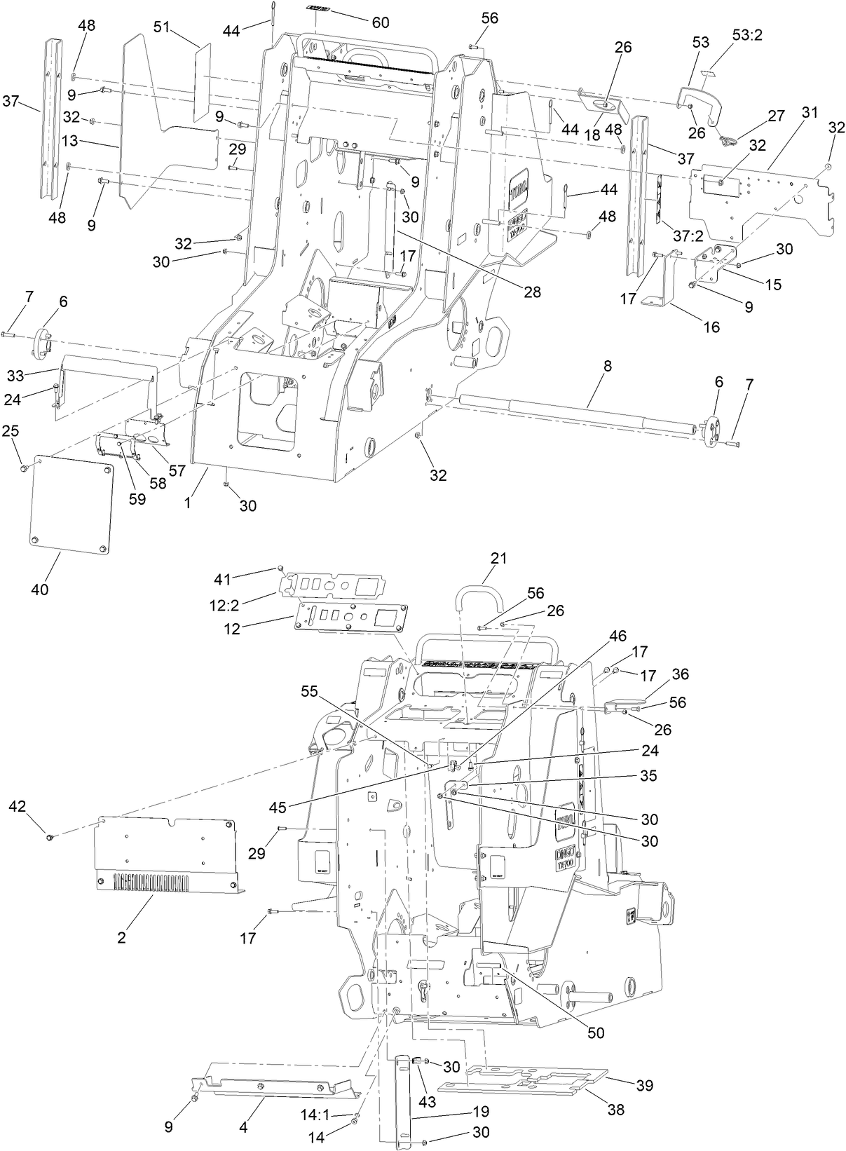
Title: PLATE-BOTTOM, FRAME (Part #:140-2888-01)
Part Description: PLATE-BOTTOM, FRAME
Models:
Serial Ranges:
PLATE-BOTTOM, FRAME (Part #:140-2888-01)
TX-1000 Tandem Pump Parts
Tracks
General Parts
Filter Kits
Upgrade Parts
Your cart is empty
Subtotal:$0.00 USD
Loading...