Dingo Power

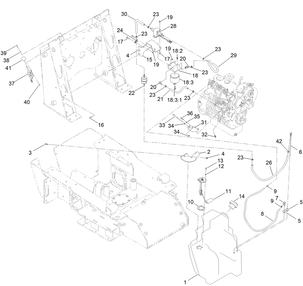
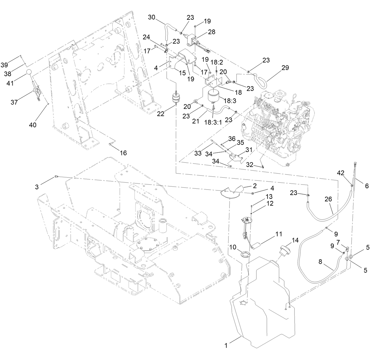
PUMP-FUEL, ELECTRIC (Part #:145-3160)

$182.90

Product Details

Title: PUMP-FUEL, ELECTRIC (Part #:145-3160)

Part Description: PUMP-FUEL, ELECTRIC

Models:

  • 22323 (Dingo TX 525-Narrow)

Serial Ranges:

  • 410300000 - 412999999
  • 413000000 - 414999999
  • 415000000 - 999999999