Limited shipping December 24, 2025 – January 2, 2026

Dingo Power

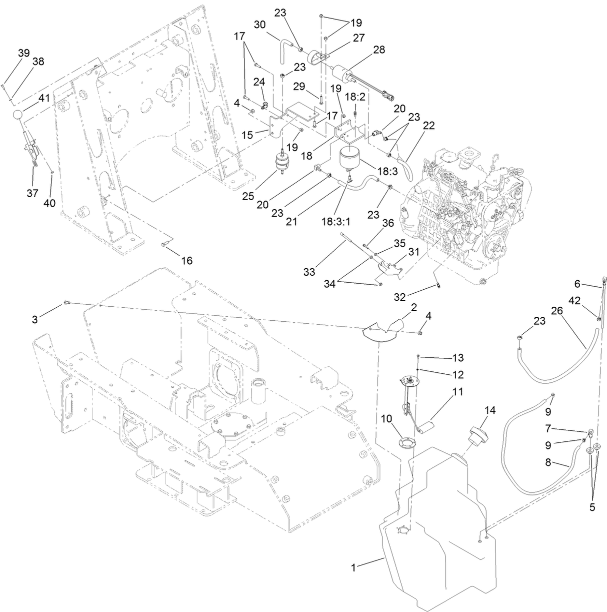
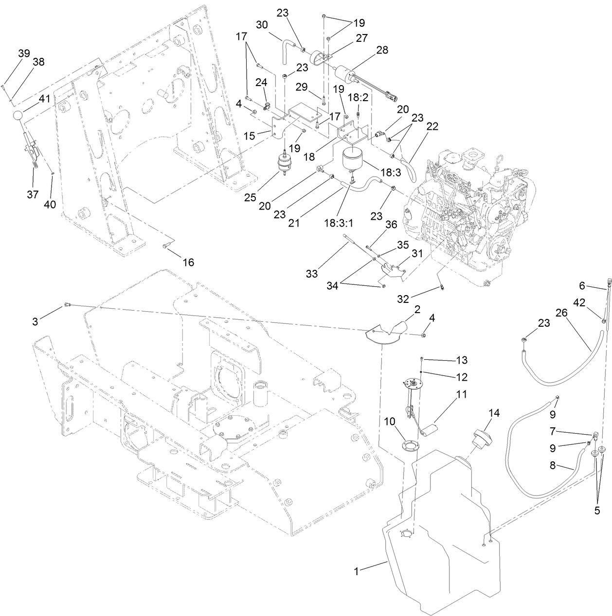
SENDER-FUEL (Part #:120-5391)

$199.47

Product Details

Title: SENDER-FUEL (Part #:120-5391)

Part Description: SENDER-FUEL

Models:

  • 22323 (Dingo TX 525-Narrow)

Serial Ranges:

  • 315000001 - 315999999
  • 316000001 - 316999999
  • 400000000 - 401799999
  • 401800000 - 404719999
  • 404720000 - 405699999
  • 405700000 - 407599999
  • 407600000 - 407949999
  • 407950000 - 409359999
  • 409360000 - 409489999
  • 409490000 - 410299999
  • 410300000 - 412999999
  • 413000000 - 414999999
  • 415000000 - 999999999