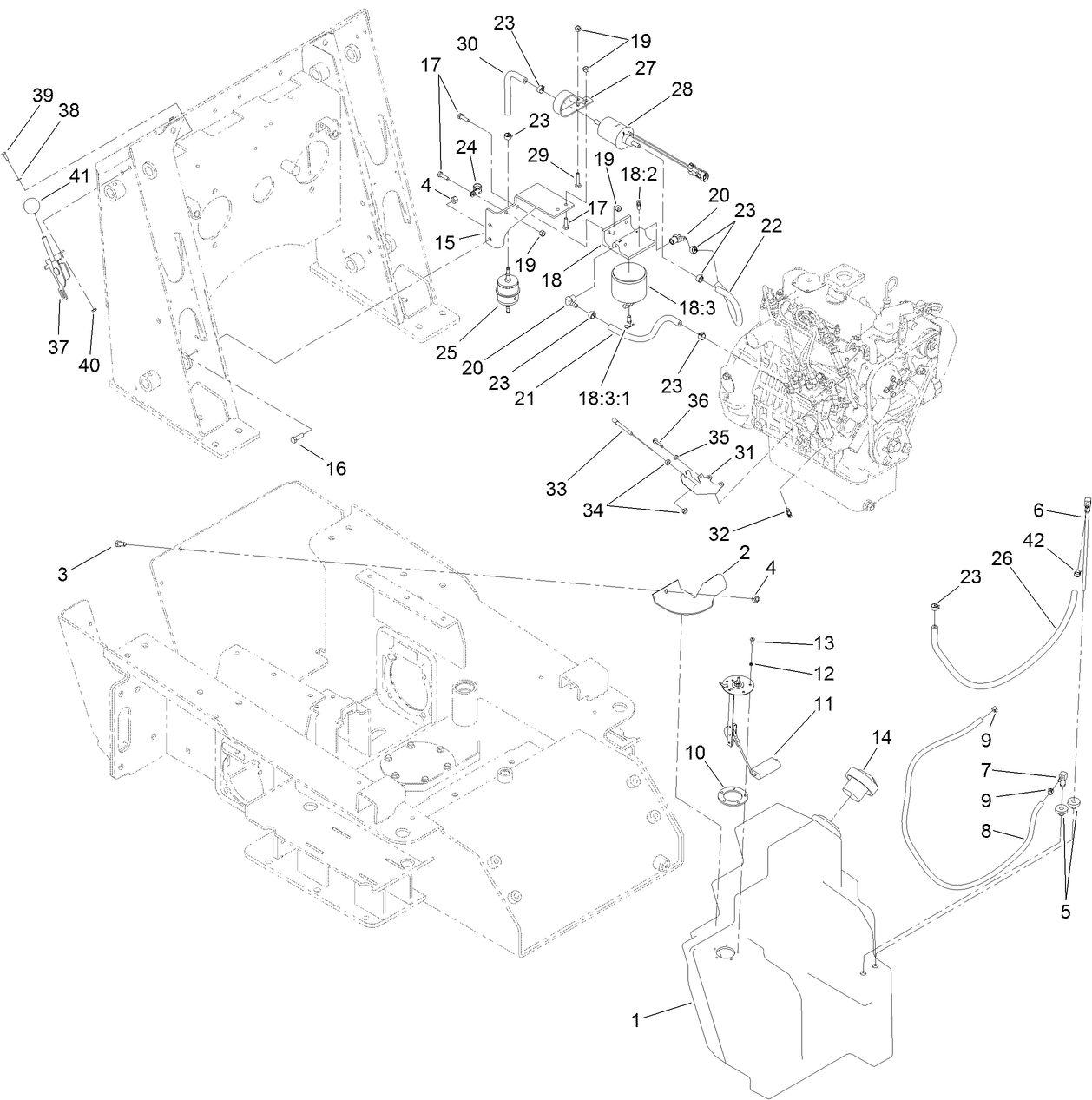
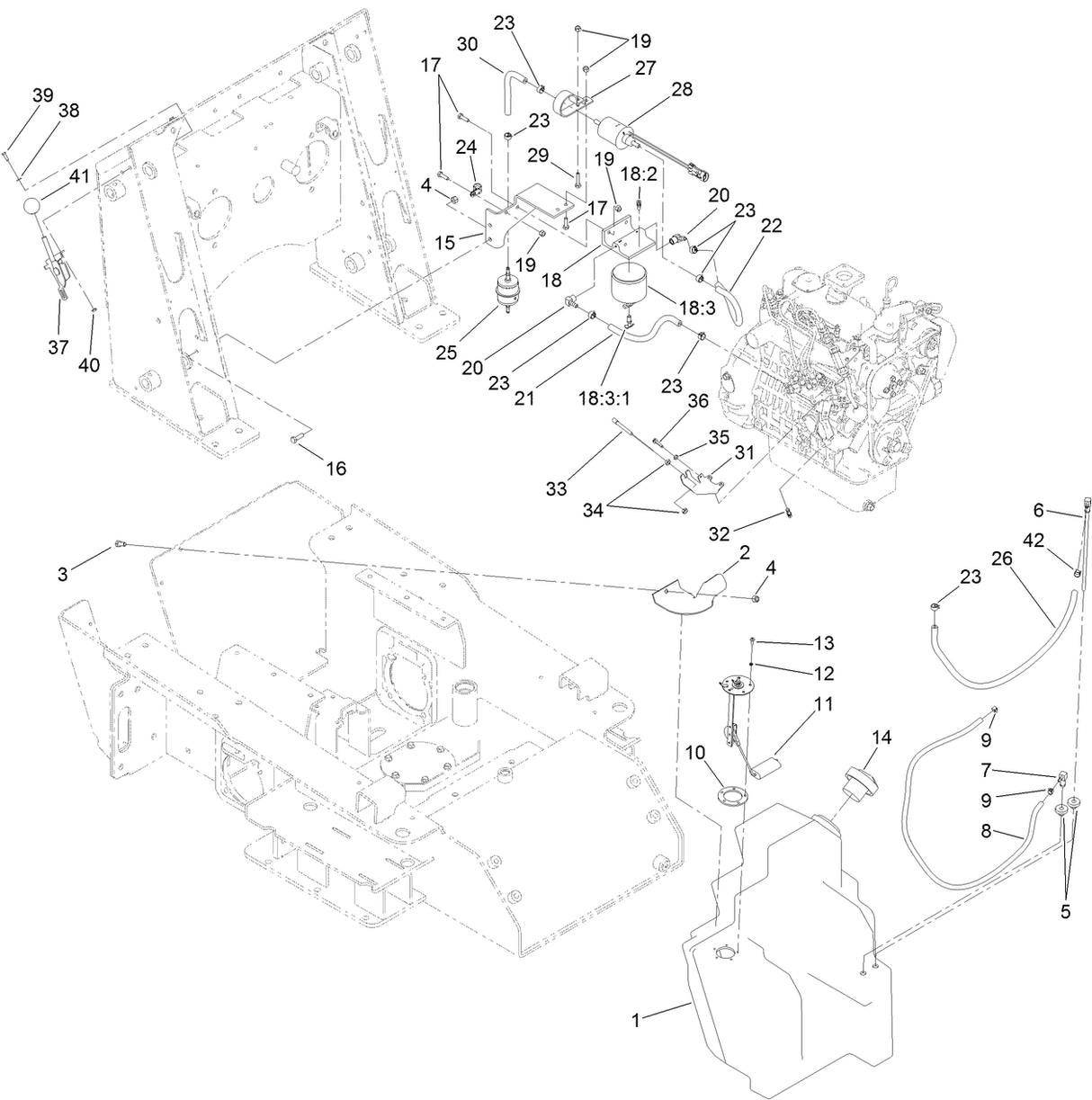
Title: HOSE-FUEL (Part #:110-3958)
Part Description: HOSE-FUEL
Models:
- 22323 (Dingo TX 525-Narrow)
Serial Ranges:
- 315000001 - 315999999
- 316000001 - 316999999
- 400000000 - 401799999
- 401800000 - 404719999
- 404720000 - 405699999
- 405700000 - 407599999
- 407600000 - 407949999
- 407950000 - 409359999
- 409360000 - 409489999
- 409490000 - 410299999
- 410300000 - 412999999
- 413000000 - 414999999
- 415000000 - 999999999