Dingo Power

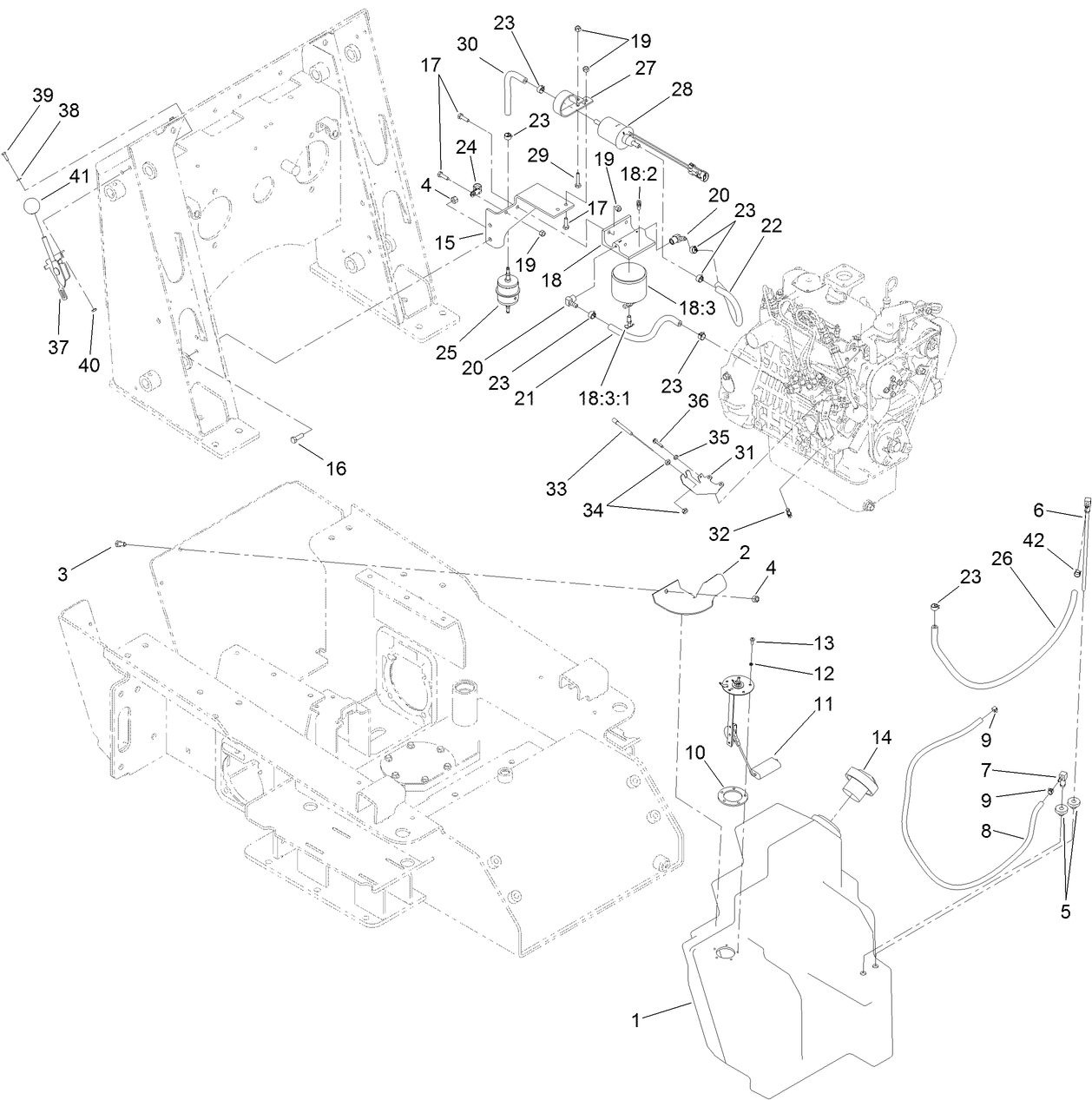
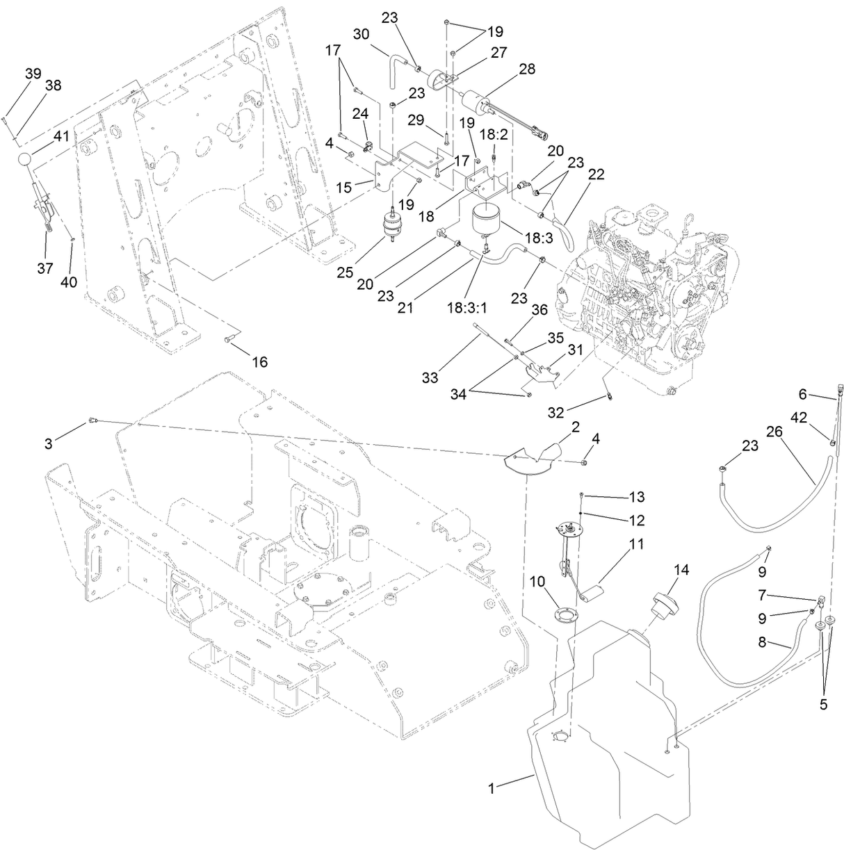
HOSE-FUEL (Part #:106-1126)

$11.18

Product Details

Title: HOSE-FUEL (Part #:106-1126)

Part Description: HOSE-FUEL

Models:

  • 22323 (Dingo TX 525-Narrow)

Serial Ranges:

  • 311000001 - 311999999
  • 312000001 - 312999999
  • 313000001 - 313999999
  • 314000001 - 314999999
  • 315000001 - 315999999
  • 316000001 - 316999999
  • 400000000 - 401799999
  • 401800000 - 404719999
  • 404720000 - 405699999
  • 405700000 - 407599999
  • 407600000 - 407949999
  • 407950000 - 409359999
  • 409360000 - 409489999
  • 409490000 - 410299999