Dingo Power

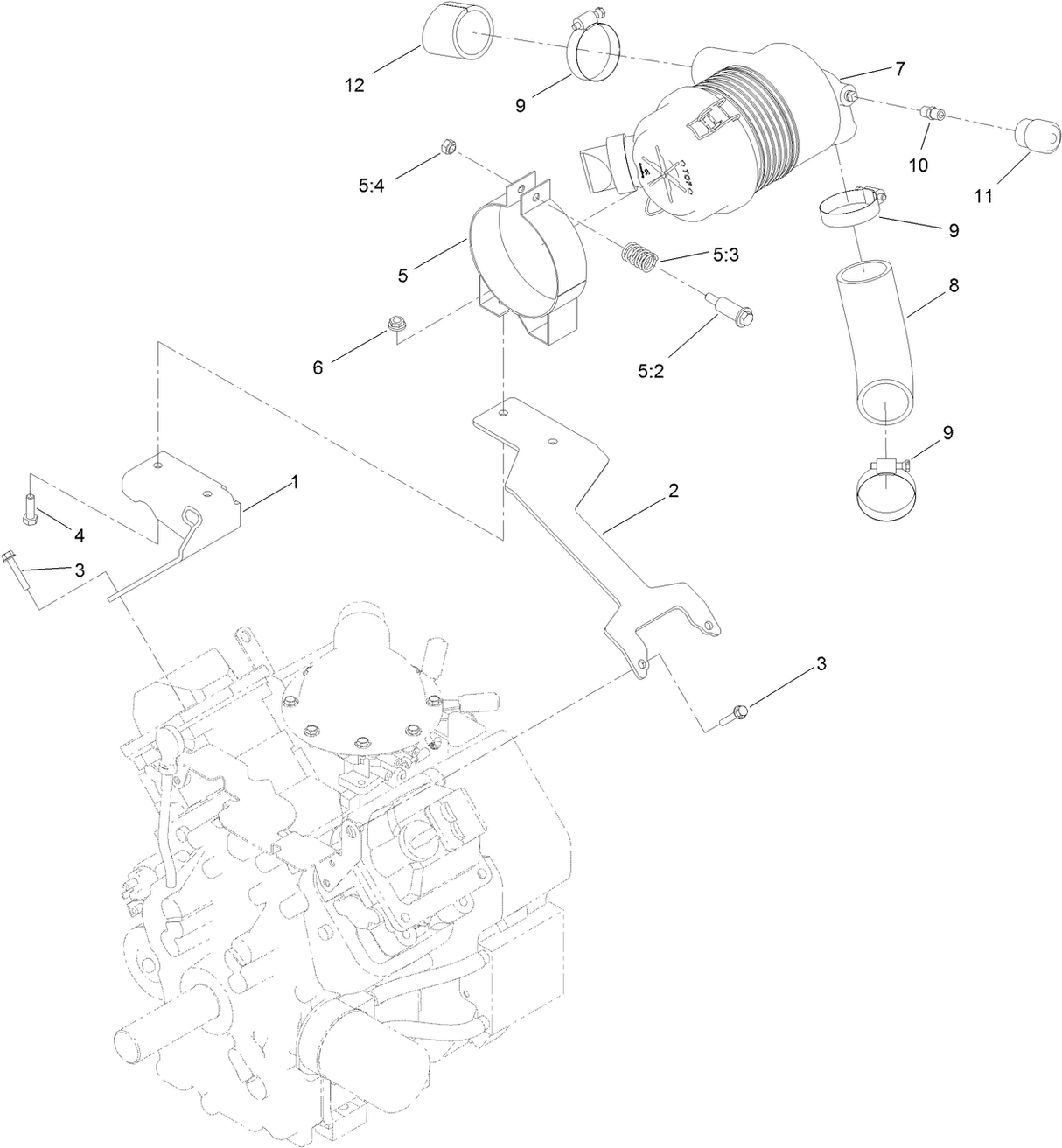
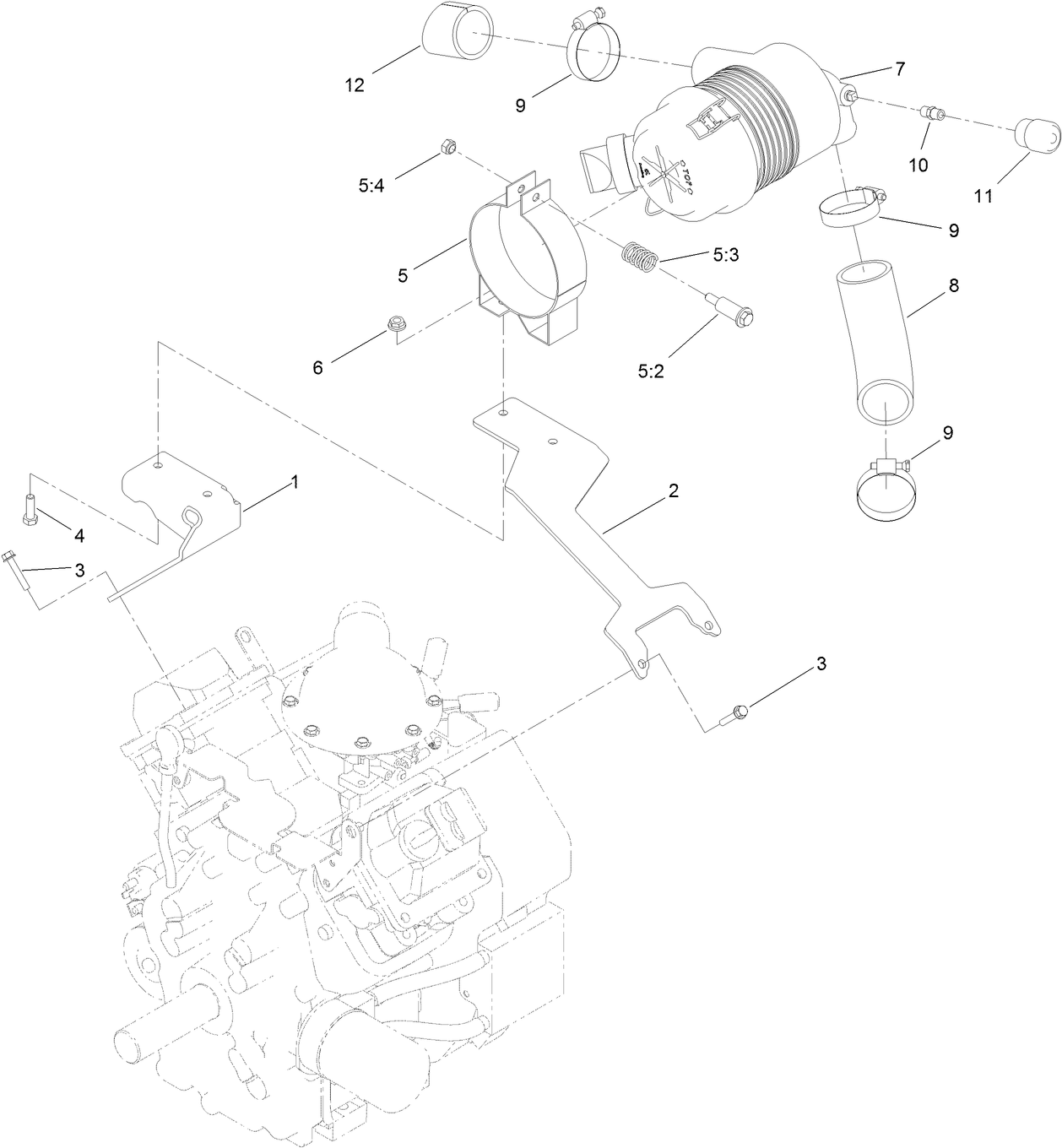
SCREW-HHF (Part #:33103-035)

$1.09

Product Details

Title: SCREW-HHF (Part #:33103-035)

Part Description: SCREW-HHF

Models:

  • 22322 (Dingo TX 427-Wide)

Serial Ranges:

  • 280000001 - 280999999
  • 290000001 - 290999999
  • 310000001 - 310999999
  • 311000001 - 311999999
  • 312000001 - 312000200
  • 312000201 - 312999999
  • 313000001 - 313999999
  • 314000001 - 314999999
  • 315000001 - 315999999
  • 316000001 - 316999999
  • 400000000 - 401999999
  • 402000000 - 404719999
  • 404720000 - 405699999
  • 405700000 - 407399999
  • 407400000 - 407999999
  • 408000000 - 409445441
  • 409445442 - 409999999
  • 410000000 - 412799999
  • 412800000 - 415299999
  • 415300000 - 999999999